ORGANIZACE
PRODUKTY
INFORMACE
SERVIS
ENGINEERING
Asynchronní motory
AC motory s konst.otáčkami
AC motory s ovládáním otáček
Momentové motory
FPW IP67
Příslušenství
BLDC motory
AC-vstup BMU
AC-vstup BLE
AC-vstup BX2
DC-vstup BLH
DC-vstup BLV
Příslušenství
Krokové motory
AC Motory & Driver
DC Motory & Driver
AC vstup Motory & Driver
DC Motory & Driver
PKP Krokové motory s vysokým kr.momentem
Síťový konvertor
Kontrolér SCX11
Servomotory
NX AC
AR AC
Aktuátory
EAC Lineární pístové aktuátory
EZS Lineární pojízdné sáně
DRS Linearní aktuátory
DRLII Linearní aktuátory
DRLII Flex Lineární síťové aktuátory
DGII AR Rotační mezikruží
DGII AR Flex Rotační mezikruží
LAS Lin. aktuátory s hřebenem a pastorkem
Příslušenství
Ventilátory
Axiální ventilátory
Odstředivé ventilátory
Kombinované ventilátory
Domácí ventilátory
Video
OPIS Engineering k.s. Selská 64
61400 Brno Czech Republic
Tel: +420 543 330 057-18
Fax: +420 543 242 653
Email: opis@opis.cz
Vysocemomentové kr.motory
HOME
PRODUKTY
PŘÍSTROJOVÉ POHONY
ORIENTALMOTOR
série PKP VYSOCEMOMENTOVÉ KROKOVÉ MOTORY SE 500 krok/ot
CRK
CVK
RBK
PK
PKP
CMK
KATALOG / PDF▼
20x20 mm
ROZMĚRY
3D▼
MAN▼
KATALOG / PDF▼
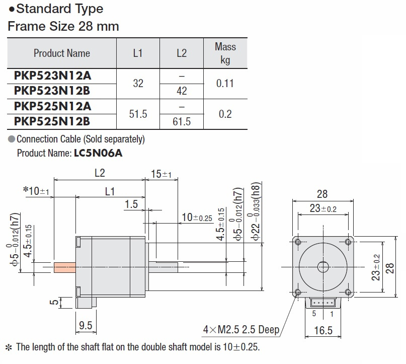
28 x 28 mm
ROZMĚRY
3D▼
MAN▼
KATALOG / PDF▼
42x42mm
ROZMĚRY
3D▼
MAN▼
KATALOG / PDF▼
56,4x56,4
ROZMĚRY
3D▼
MAN▼
KATALOG / PDF▼
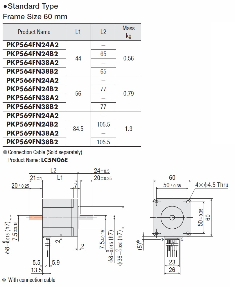
60x60 mm
ROZMĚRY
3D▼
MAN▼
KATALOG / PDF▼
85x85mm
ROZMĚRY
3D▼
MAN▼
KATALOG
PŘÍSLUŠENSTVÍ
33
stran
20 MB
36
stran
3,8MB